Elektronik

Download - Bereich:

 

uP 8085 Simulator 280KB

Grundlagen Elektrotechnik - PDF 35KB

Elektronik FAQ - PDF 2,5MB

um die PDF Dateien einzusehen wird der Acrobat Reader benötigt, wenn dieser noch nicht vorhanden ist können Sie diesen unter COMPUTER downloaden


häufig genutzte Grundschaltungen

durch anklicken erhalten sie ein vergrößertes Bild und ggf. eine Beschreibung

Darlington

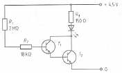
Dunkelschaltung

Hellschaltung

Mikrofon-Verstärker

Verzögerungsschaltung

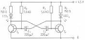
Blinkschaltung

Blinkschaltung II

Transistor-Tester

Copyright 2003 M.Görges