Schaltungen

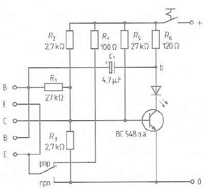
Transistor-Tester

Insgesamt ergeben sich 6 Steckmöglichkeiten für den Transistor je in NPN/PNP. Blinkt die Led, so ist die richtige Anschlußreihenfolge gefunden. Blinkt die Led in keiner der Möglichkeiten, ist der Transistor defekt.

Copyright 2003 M.Görges