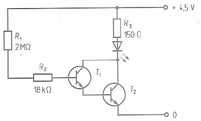
Schaltungen

Darlington

statt R1 kann man auch Metallplätchen nutzen um mit den Fingern den Widerstand zu überbrücken -> die LED leuchtet

Copyright 2003 M.Görges