Schaltungen

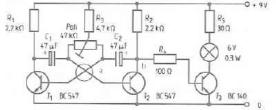
Blinkschaltung II

erweitert,
verstellbare Frequenz,
Leistungstransistorausgang

Copyright 2003 M.Görges